楼凤阁论坛官网入口,采花楼论坛,栖凤阁最新地址,全国楼风信信息app破解

欢迎致电我们,咨询热线:

13353906936 / 15225523303
详尽的中频炉工作原理与图解

详尽的中频炉工作原理与图解

时间:2022-04-06 06:35:36 来源:洛阳宇华电炉厂
  中频炉采用中频电源进行感应加热,熔炼保温,中频电炉主要用于熔炼碳钢,合金钢,种钢,也可用于铜,铝等有色金属的熔炼和提温。设备体积小,重量轻,率高,耗电少,熔化升温快,炉温易控制,生产率高。

  中频炉般是在工厂铸造及热处理中使用,中频炉现在已经逐步替代了燃煤炉、燃气炉、燃油炉及普通电阻炉,成为了工厂铸造及热处理的新宠。这个中频炉使用很方便,大家知道它的工作原理是什么吗?下面就由中频电炉厂家来为大家介绍一下吧!

中频炉

 一、中频炉工作原理

  中频炉通过可控硅的整流逆变产生中频电源,送到炉体线圈上,炉体(线圈)中间产生中频电磁场,从而使炉体内的金属产生涡流,涡流再使金属产生大量的热能使得金属熔化。
  中频炉主要由电源、感应圈及感应圈内用耐火材料筑成的坩埚组成。坩埚内盛有金属炉料,相当于变压器的副绕组,当感应圈接通交流电源时,在感应圈内产生交变磁场,其磁力线切割坩埚中的金属炉料,在炉料中就产生了感应电动势,由于炉料本身形成闭合回路,此副绕组的点是仅有匝而且是闭合的。所以在炉料中同时产生感应电流,感应电流通过炉料时,对炉料进行加热促使其熔化。
  中频炉也是种电磁炉,工作过程如下:先是通过个逆变电源,把三相交流电整流(用晶闸管)变成单相直流电,然后由逆变桥逆变成种500-1000Hz的中频脉冲交流电,再通过炉胆内的铜圈形成磁场,磁场使圈内的钢材产生涡流,涡流流过被加热的钢材,产生热量,从而达到熔炼钢材的目的。中频电炉般频率为800-20000Hz。

 二、中频炉工作原理图解

  本机的主电路框图如图所示。整流器采用三相桥式控整流电路,逆变器采用单相桥式逆变电路,负载为并联谐振形式,直流滤波环节为大电感滤波,以满足并联逆变器的输入要求。

主电路框图

  交——直——交变换器

  1、三相桥式控整流电路

三相桥式控整流电路

  三相桥式控整流电路的输出电压为:
  Ud=2.34U2cosa……(1)
  其中,Ud——输出直流电压平均值
  U2———电网相电压
  a —— 触发移相角

  在不同a角下的输出电压的波形(在感性负载和电流非断续状态下)。其中a>90°的状态称为整流的逆变工作状态,其实质是负载向电网反馈能量。

输出电压的波形

  整流触发电路采用数字集成电路构成,所采用芯片的型号、功能及有关说明如表所示。
编 号 名 称 型 号  用 途
U101 四运放 LM324 限幅放大
U102、U103 四异或门 CD4070 过零检测及整形
U104~U106 2输入或非门 CD4001 或非逻辑
U107~U109 14二进制串行计数器 CD 4020 分频
U110~U112 双时基电路 556 脉冲整形调制
U113 单时基电路 555 产生调制脉冲
  本装置的整流触发同步信号由同步变压器提供,经RC滤波及比较放大,找出触发同步信号的过零点,再由数字计数器计数延时。触发脉宽由555构成的单稳确定,并由555进行高频调制,以减小触发脉冲变压器的体积。本触发电路具有抗干扰能力强、延时准确、调试方便、触发可靠、功耗低及体积小的优点。
  2、单相桥式并联逆变电路

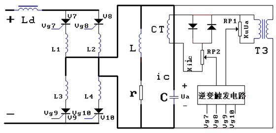
  并联逆变器的基本线路如图所示。图中V7—V10组成了个桥式逆变电路,Ld为直流滤波电感,Lr为感应炉等电路,C为补偿电容,由L、r、C组成个并联谐振电路。Ld使整流桥输出的直流电流连续,电流纹波减小,这样可近似地把整流桥输出电流看成平直电流。Ld的另个作用是限制中频电流进入工频电网,起隔离作用;当逆变失败时,它也起限制浪涌电流的作用。

单相桥式并联逆变电路

  逆变桥由四只桥臂构成,每臂为只晶闸管和个限流电抗器串联组成。限流的作用是限制逆变晶闸管导通时的电流上升率(di/dt),使它不超过允许的数值。如果桥臂中V7、 V10和V8、V9轮流导通,便将直流Id逆变为在负载中流动的电频电流。
  为使逆变器正常工作,其工作频率应高于负载谐振频率。此时负载回路对输入的中频梯形电流中的高次谐波电流呈现低阻抗,对中频梯形波电流中的基波电流呈现高阻抗,因而使输出电压接近正弦波。
逆变电路有关波形
  由于逆变工作频率略高于负载谐振频率,使晶闸管获得定的换相关断时间tj,从[图5]可以看出,j也是负载功率因数角。从数学分析可知,中频负载电压对输主直流电压有如下关系:
  UL=1.11Ud/cosj……(2)
  为了提高输出额定功率因数角,应尽量减小tj,但tj的减小就意味着逆变晶闸管道关断时间的减小,这不利于逆变器的可靠工作,加外通常加大换相关断时间tf会增加晶闸管的电压定额。因此需两者兼顾,通常取j=30°左右。由于中频电源负载参数(L、r)随着工件的多少和工件温度 的变化而变化,因此负载频率也是随时间变化的。为了获得恒定的引前时间以保证可靠换流,逆变频率必须随着负载谐振频率而变,并始终略高于负载谐振频率,这就是说,逆变触发电路不能采用恒定的频率的他激方式,而必须采用自激方式,即自动跟踪负载频率。
  逆变触发同步信号是由中频输出电压和补偿电容电流的取样信号合成的,该合成信号滞后于补偿电容电流而超前于中频输出电压,其过零时刻即为逆变触发时刻。可见逆变触发频率始终略高于负载谐振频率。
  逆变触发同步信号为中频正弦信号,经高灵敏度的比较器LM311转换为方波,在方波的上跳沿及下跳沿各送出个宽度定的脉冲到相应的逆变晶闸管,即可完成频率自动跟踪的逆变触发。
  看了本文之后是不是已经知道了中频炉的基本工作原理了,下次在使用的时候就会更明白这是怎么工作的,知道是利用什么变热将钢材哪些坚硬的金属给融化掉的了,可以不用只会使用却不懂其中的奥妙。
联系我们

contact us

点击留言咨询

*请认真填写需求信息,我们会在24小时内与您联系

地址:河南省宜阳北城区唐经路 电话:0379-68822366 微信:13353906936 / 15225523303 手机:15225523303

版权所有:Copyright ? 2018 洛阳宇华电炉厂豫ICP备17035050号

联系电话:13353906936 / 15225523303固话:0379-68822366技术支持:尚贤科技  网站XML

豫公网安备 41032702000075号 
微信二维码
微信二维码